Product Summary
The MRF151G is a RF power field-effect transistor designed for broadband commercial and military applications at frequencies to 175 MHz. The high power, high gain and broadband performance of the MRF151G makes possible solid state transmitters for FM broadcast or TV channel frequency bands.
Parametrics
MRF151G maximum ratings: (1)Drain Source Voltage VDSS: 125 Vdc; (2)Drain–Gate Voltage VDGO: 125 Vdc; (3)Gate Source Voltage VGS: ±40 Vdc; (4)Drain Current Continuous ID: 40 Adc; (5)Total Device Dissipation @ TC = 25℃ PD: 500 Watts; (6)Derate above 25℃: 2.85 W/℃; (7)Storage Temperature Range Tstg: -65 to +150 ℃; (8)Operating Junction Temperature TJ: 200 ℃.
Features
MRF151G features: (1)Guaranteed Performance at 175 MHz, 50 V: Output Power 300 W; Gain 14 dB (16 dB Typ); Efficiency 50%; (2)Low Thermal Resistance 0.35℃/W; (3)Ruggedness Tested at Rated Output Power; (4)Nitride Passivated Die for Enhanced Reliability.
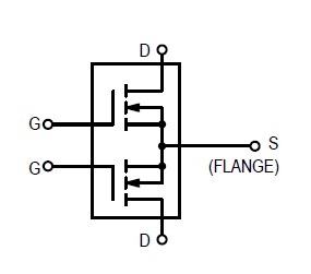
Diagrams

| Image | Part No | Mfg | Description | ![]() |
Pricing (USD) |
Quantity | ||||||||||||
|---|---|---|---|---|---|---|---|---|---|---|---|---|---|---|---|---|---|---|
![]() |
![]() MRF151G |
![]() M/A-COM Technology Solutions |
![]() Transistors RF MOSFET Power 5-175MHz 300Watts 50Volt Gain 14dB |
![]() Data Sheet |
![]()
|
|
||||||||||||
![]() |
![]() MRF151GB |
![]() Advanced Semiconductor, Inc. |
![]() Transistors RF MOSFET Power RF Transistor |
![]() Data Sheet |
![]()
|
|
||||||||||||
![]() |
![]() MRF151GC |
![]() Advanced Semiconductor, Inc. |
![]() Transistors RF MOSFET Power RF Transistor |
![]() Data Sheet |
![]()
|
|
||||||||||||
(Hong Kong)








